
新高手 125 前叉頂蓋終於拆開啦~~~

車友鳥嘴的新高手125在更換前叉油時遇到困難,一起來試看看怎麼拆
徵得同意後引用大部分照片,咱也來寫點補充說明
補充三個DIY難度相當高的魔王

第一個魔王
要將前叉頂住的塞子壓下,才能露出 C 型環,強烈建議先製作特工
特工就是使用一個 矽利康擠汁工具,跟一組約 31mm 的夾扣
還好鳥嘴兄有帶著特工,不然光要優雅的拆就很困難

第二個魔王
將特工壓下頂蓋,露出的 C 型環,這時才是真正的挑戰
這個 C 型環非常難拆,別以為用了尖的扁鑽或是小支一支就挖的出來
他會一直旋轉,跑來跑去,根本施不了力

最終還是靠非常堅固的小勾子才勾的出來
這個是「拯救斷錀匙的特工」
也許也可以用吸管,想辦法讓 C 型環
的一個角角吃入吸管,再拉出來
不然就要拿一支尖的扁鑽,把尖頭的部分用鉗子掰成小勾子

沒經驗的人可能光拆這個 C 環就要花上數小時...還可能挑戰失敗最終放棄

難度五顆星

第三道魔王
C環拿下來後,這個塞子也沒這麼容易出來
方法二個:
1、手悶住塞子防噴出,然後前叉快速往地上敲,要敲數次,藉由瞬間壓縮的壓力讓塞子擠出
2、如果方法一失敗,再裝上特工,反覆一直進行壓入塞子,放開塞子,四週還要淋些WD40
反覆一直壓數十次,再配合步驟一反履試了好多次最終才成功鬆開
O-Ring 會卡在 C 環的溝溝或是塞子四週生銹跟前叉內管夾在一起就出不來

接下來拆下彈簧,這支是原廠前叉,從來沒拆過的
原廠設定是 下密上疏

倒出舊油,舊油的量單支是 80cc
聽鳥嘴說他找很久沒查到單支前叉油是多少,但他50kg的體重
騎了 8 年的車,彈簧也都軟了,平常騎都會觸底
就不建議他一樣只加入 80cc
這樣改變不了任何事
網路上查的資料似乎有80cc、85cc、也有100cc

如果擔心油倒多會爆油封,可以考慮增加彈簧的預載
加個幾顆華司墊片或是調整前叉油的濃度
看他拆之前騎車軟成那樣,一言不合二話不說直接入100cc

金帝前叉油,單支是 160cc,正常可以給一對前叉用(80cc + 80cc)
鳥嘴只帶了一支來,剛好我家也有一支用剩的,這樣就足200cc了

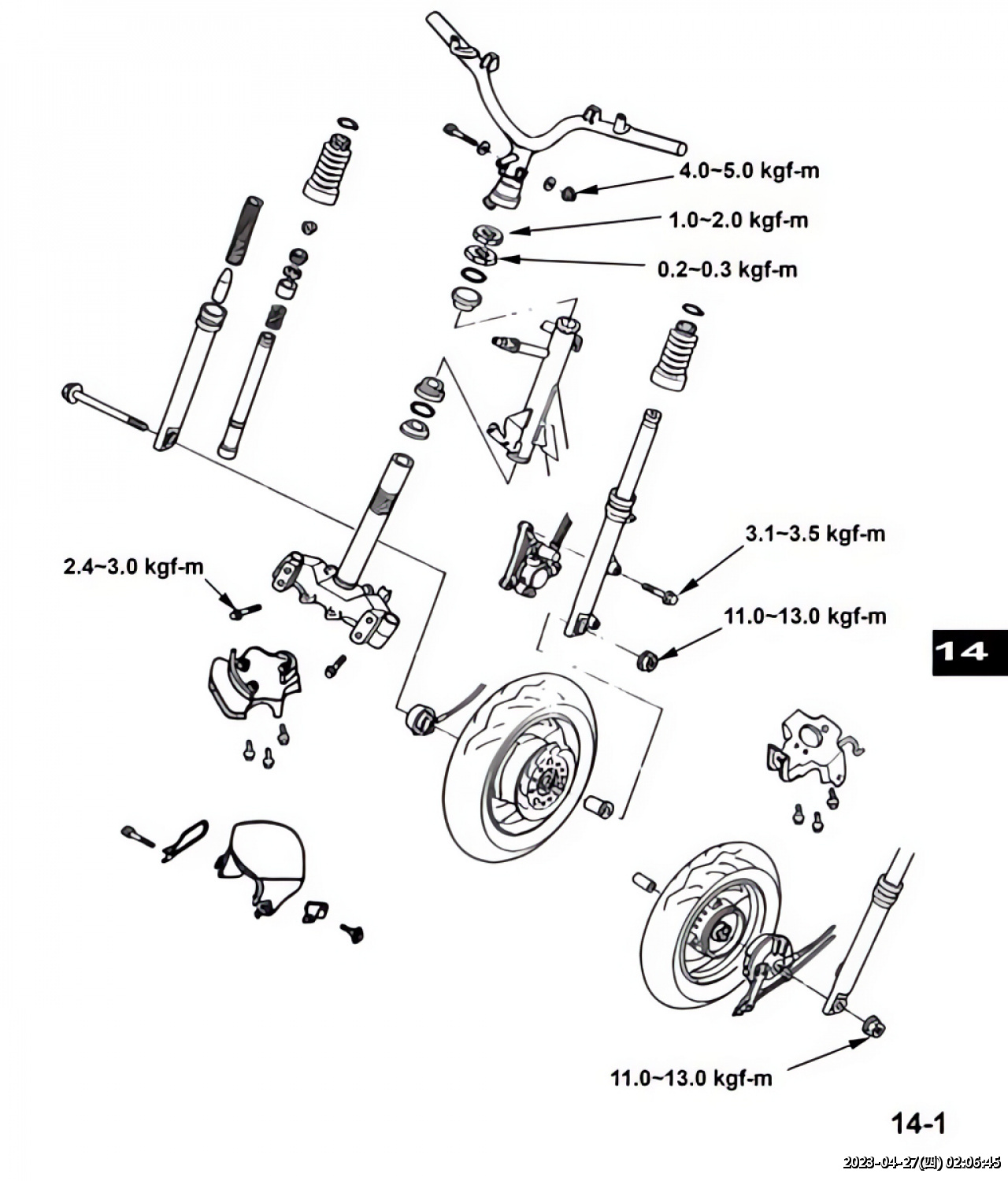
網路上看到的 新高手125 的扭力值參考
前輪軸心居然要鎖到 11~13kgf-m 這麼高...
後記:
前叉油重新灌入,總算回彈恢復正常,看鳥嘴兄開心的表情一切都值得^_^
看別人弄好像很容易,實際自己動手才會知道困難,隨經驗的累積,除了自己學會~
也與大家分享成功的方法跟喜悅。
詳細完整拆裝心得,可以上 鳥嘴Blog 查詢
個人也十分推薦他的 Blog ,很多很棒的 DIY 心得