| 內容說明:工具 | 瀏覽人數: 920 |
上一張 |
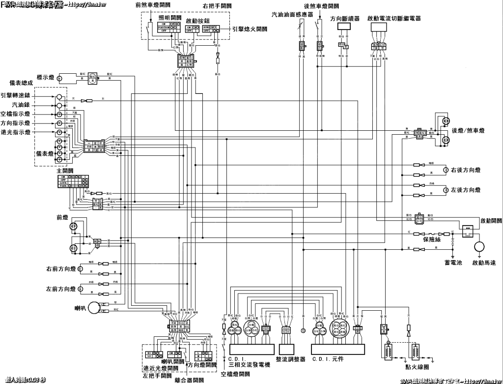
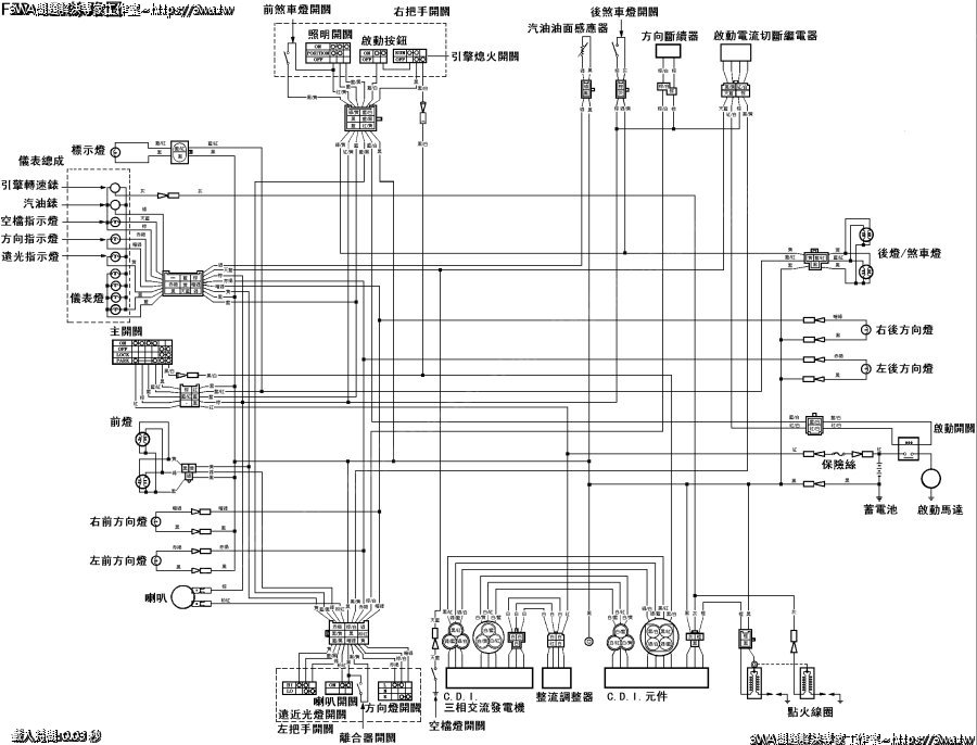
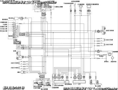
【第207張】 |
下一張 |
|
縮圖專用網址: http://59.126.75.42/photo/small.php?w_size=450&compassion=60&file_name=users/shadow/1530063884_1.png 複製 檢視 放大細緻輸出網址: http://59.126.75.42/photo/small.php?w_size=1024&compassion=90&file_name=users/shadow/1530063884_1.png 複製 檢視 |






