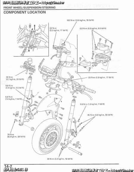
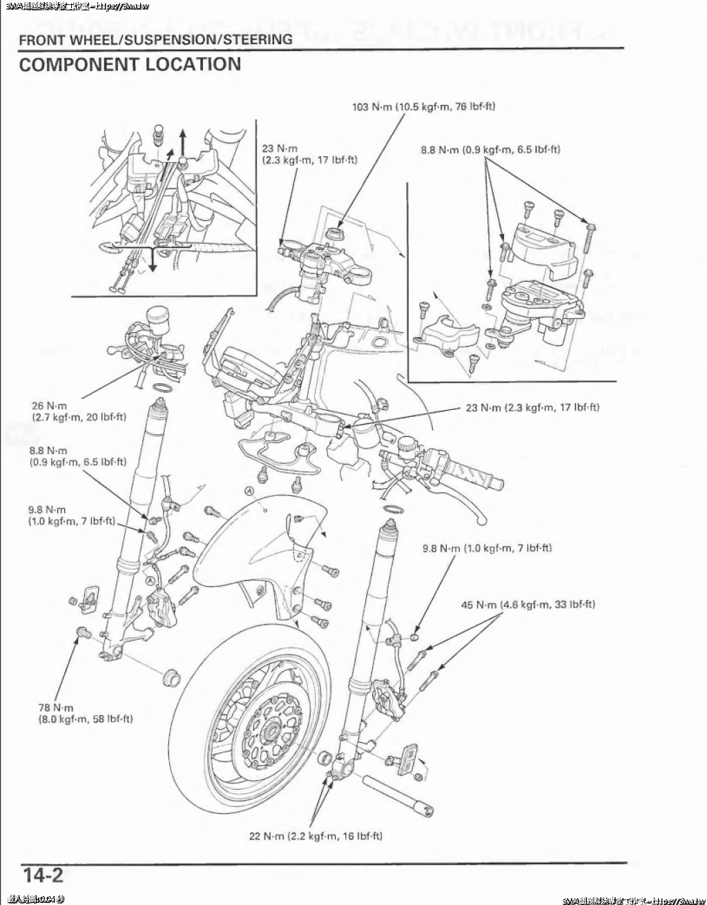
| 內容說明:2023.06.02CBR1000RR更換珠碗 | 瀏覽人數: 966 |
上一張 |
【第137張】 |
下一張 |
|
縮圖專用網址: http://59.126.75.42/photo/small.php?w_size=450&compassion=60&file_name=users/shadow/1685990360_1.png 複製 檢視 放大細緻輸出網址: http://59.126.75.42/photo/small.php?w_size=1024&compassion=90&file_name=users/shadow/1685990360_1.png 複製 檢視 |




